2.54mm Kaxxa Header Bil Post Konnettur
Prodott BHDS07-XXXXXX Attributi Kapaċità ta' Provvista u Informazzjoni Addizzjonali Ippakkjar u Kunsinna
Deskrizzjoni
Attributi tal-Prodott
Mudell Nru.: BHDS 07-XXXXXX Ditta: ANTENKInterface Tip: AC/DCHousing: PlasticPin: BrassPoles: OtherApplication: OtherCertification: OtherGender: MaleMaterial: BrassSupport Numru tal-Kard: Other Operating Frequency: High FrequencyClassification: Oħrajn
Kapaċità ta' Provvista u Informazzjoni Addizzjonali
Ippakkjar: ippakkjar tal-borża, ippakkjar tat-tubi, ippakkjar tar-rukkellProduttività: 100000K / xahar Trasport: Oċean, Post tal-Ajru ta 'Oriġini: ChinaSupply Abbiltà: 100000K / xahar Ċertifikat: Kodiċi ISO9001HS: 8536909000Tip ta' Ħlas: T / IFCCmTnPayment Tip, T / IFCCmTn
Ippakkjar u Kunsinna
Unitajiet tal-Bejgħ:
Borża/Basktijiet
Tip ta' Pakkett:
ippakkjar tal-borża, ippakkjar tat-tubi, ippakkjar tar-rukkell
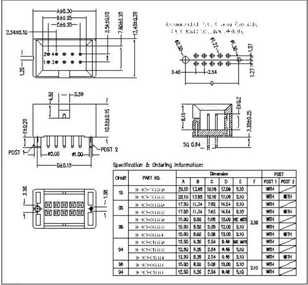
Shenzhen Antenk Electronics Co., Ltd. nediet Kaxxa Header ta '2.54mm 180 grad H=10.52mm b'Post Electronics, Il-baqra sempliċi ġeneralment tkun magħmula minn sokit tal-plastik kwadru u numru ta' labar kwadri rranġati pulit. Id-differenza bejn il-konnettur sempliċi tal-baqra u l-konnettur tal-ħorn hija li l-ħorn sempliċi jneħħi l-bokkli fuq iż-żewġ naħat.

Q: X'inhu t-temp tiegħek tal-kunsinna?
A: It-terminu tal-kunsinna ordinarju tagħna huwa FOB Xiamen. Aħna naċċettaw ukoll EXW, CFR, CIF, DDP, DDU eċċ. Aħna ser noffrulek il-ħlasijiet tat-tbaħħir u tista 'tagħżel dik li hija l-aktar konvenjenti u effettiva għalik.
Q: X'inhu s-servizz ta 'wara l-bejgħ tiegħek?
A: Il-perjodu tagħna ta 'garanzija ta' kwalità huwa ta 'sena. Kwalunkwe problema ta 'kwalità tiġi solvuta għas-sodisfazzjoni tal-klijenti.




Ibgħat l-inkjesta
Tista 'Tħobb ukoll










